
撥動世界 智造未來
小型化電子零部件制造廠家
專注?撥動開關研發生產 · 十年行業經驗
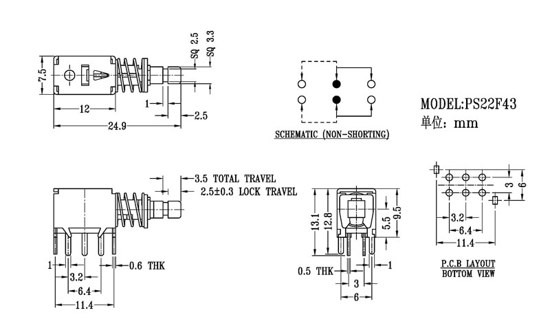
產品圖紙 Product drawing:

技術參數 technical parameter:
按鍵撥動開關技術參數:
1.額定負荷: DC 50V 0.3A
2.接觸電阻: ≤50mΩ
3.絕緣阻抗: ≥100mΩ DC500V
4.使用溫度: -25℃+80℃
5.使用濕度: ≤85%RH
6.操作力 :200±100gf
7.使用壽命: 10,000 Cycles
如需了解更多按鍵撥動開關PS-22F43信息請關注:www.ghseo.cn
穎鑫官方微信