
撥動世界 智造未來
小型化電子零部件制造廠家
專注?撥動開關研發生產 · 十年行業經驗
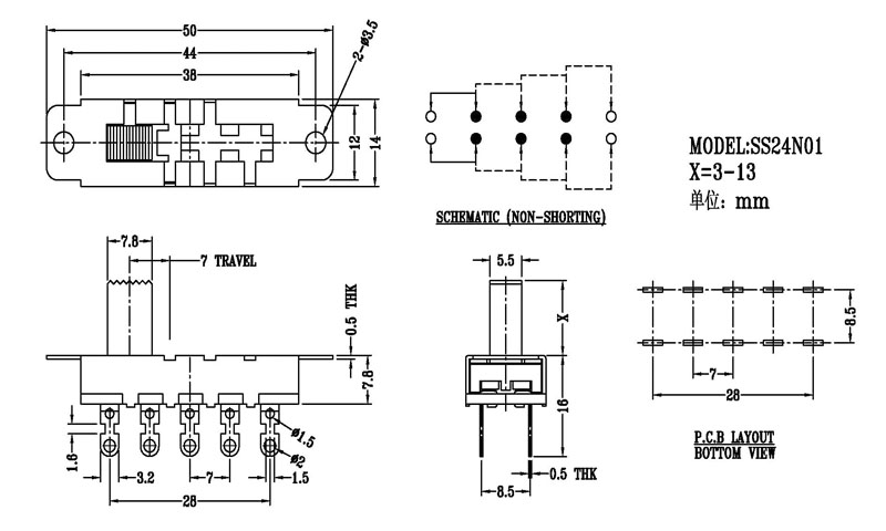
大電流撥動開關SS-24N01產品簡介:
大電流撥動開關是通過撥動開關柄使電路接通或斷開,從而達到切換電路的目的的。大電流撥動開關常用的品種有單極雙位、單極三位、雙極雙位以及雙極三位等,它一般用于低壓電路,具有滑塊動作靈活、性能穩定可靠的特點,大電流撥動開關主要廣泛用于:各種儀器/儀表設備,各種電動玩具,傳真機,音響設備,醫療設備,美容設備,等其它電子產品領域。下面列出了一些撥動開關的主要特性參數及外形結構。
大電流撥動開關SS-24N01電路圖:

穎鑫官方微信